Parametrii produsului AMP2:
Putere: 0.12KW, cai putere: 0.16HP, cuplu: 0.95N.m, viteza liberă: 1200RPM, consum de gaz: 210L/min, greutate: 1.6-2.6KG (diferite metode de instalare, diferite greutăți), sunt disponibile patru metode de instalare: de bază, vertical, orizontal, flanșă, supapă de comandă manuală opțională, frână, reductor de viteze, controler.
Caracteristici standard:
Folosind aer comprimat ca sursă de energie pentru siguranță și rezistent la explozie, produsul are un certificat de rezistență la explozie și îndeplinește standardele naționale de siguranță. Cuplu mare, consum redus de gaz, nu se va arde din cauza suprasarcinii, reglarea fără trepte a vitezei, pornirea, reglarea, oprirea prin comutarea supapei de control, poate inversa direct direcția. Motorul este proiectat pentru a fi închis ca un întreg și poate fi utilizat în medii cu praf, umezeală și durere. Utilizat pe scară largă în industria chimică, semiconductori, cristale, petrochimice, tehnologie biochimică, fabrici de vopsea, mașini automate și alte industrii.
Mediu de lucru:
Fluid: Aer comprimat
Presiune de utilizare: 5Kg/cm 2 (70 psi)
Presiune maxima de lucru: 6Kg/cm 2 (85 psi)
Temperatura mediului ambiant: -10°C~ 70°C (poate fi utilizat numai în stare fără îngheț)
Ulei lubrifiant: IS0VG32 sau similar. (Este necesar să adăugați ulei cu ceață de ulei, 2~3 picături pe minut).
Utilizare continuă: Da (nu poate funcționa continuu fără sarcină).
Viteza recomandată: (0.3~1) x viteza maximă de ieșire.
Parametri detaliați
| Model | Raportul de transmisie | Ieșire maximă | Cuplul de blocare | Greutate (KG) | |||||||||
| Putere | Cuplu | Viteza nominală | Consumul de aer | De bază | Vertical | Orizontală | |||||||
| HP | KW | N.m | Ibf. ft | R.P. Mmin | L/min | CFM | N.m | Ibf. ft | KG | KG | KG | ||
| AMP2 | 0.1 | 0.12 | 0.95 | 0.7 | 1200 | 210 | 7.4 | 1.5 | 1.1 | 1.6 | 2.1 | 2.6 | |
| G1/3 | 2.7 | 2 | 400 | 4.4 | 3.2 | " | 7.2 | 7.4 | |||||
| G1/5 | 4.4 | 3.2 | 240 | 7.1 | 5.2 | ||||||||
| G1/10 | 8.7 | 6.4 | 120 | 14.2 | 10.5 | ||||||||
| G1/15 | 13.1 | 9.7 | 80 | 21.2 | 15.6 | " | 8.5 | 8.7 | |||||
| G1/20 | 17.3 | 12.8 | 60 | 27.9 | 20.1 | ||||||||
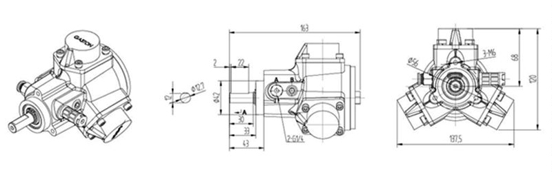
Vedere schematică în plan:
| |
| AMP2-T (tip de bază) | AMP2-F (verticală) |
| |
| AMP2-L (orizontal) | AMP2-IEC (tip flanșă) |
Diagrama de defalcare a produsului:
| NU. | Nume | Cantitate | NU. | Nume | Cantitate | NU. | Nume | Cantitate |
| 1 | Locuințe | 1 | 12 | Garnitura caroseriei | 2 | 23 | Surub de aerisire | 1 |
| 2 | Supapă de distribuție | 1 | 13 | Garnitură | 3 | 24 | Capacul motorului | 1 |
| 3 | Rulment de capăt de antrenare | 1 | 14 | Localizați garnitura | 2 | 25 | Șurub arborelui cotit | 1 |
| 4 | Axul | 1 | 15 | Rulment cu role | 2 | 26 | Dop traheal | 1 |
| 5 | Sigiliu Shalf | 1 | 16 | Șurub cu cap tubular | 12 | 27 | priză | 2 |
| 6 | Arc card orificiu | 1 | 17 | Căptușeală cilindrului | 3 | 28 | Toba de eșapament | 1 |
| 7 | Rulment de capăt de antrenare | 1 | 18 | Inele O | 3 | 29 | Flanșă pătrată | 1 |
| 8 | Circlip | 1 | 19 | Chiulasă | 3 | 30 | Placă orizontală | 1 |
| 9 | Piston | 3 | 20 | Inele O | 3 | 31 | Flanșă rotundă | 1 |
| 10 | Biela | 3 | 21 | Spalator cu arc | 12 | |||
| 11 | Opriți pinul | 3 | 22 | Inele O | 1 |

În sistemele moderne de producție industrială, performanța unităților de energie electrică determină în mod direct eficiența și stabilitatea proceselor de producție. Ca dispozitiv de acționare folo...
Vezi mai multeÎn industria modernă, alegerea echipamentelor de transmisie a energiei electrice are un impact direct asupra eficienței producției și a stabilității operaționale. Ca dispozitiv de acționare aliment...
Vezi mai multeÎn vastul areer al producției industriale moderne, echipamele de ridicare este un „erou Din spatele scene indispensabil”, Care Susține în Tăcere Funcționarea LinĂ a Diferitelor Procese de producție...
Vezi mai multeRămâi conectat